PCB Grounding Design: Types, Tips, and Best Practices

PCB grounding is a topic that PCB layout engineers always care about. For example, how should an effective grounding system be planned on a board? Should all the analog ground, digital ground, and power ground be wired separately, or should they be tied together at a single point? How can ground loops on a circuit board be removed?
Today, we will mainly talk about PCB grounding design, PCB grounding tips, and PCB grounding treatment.
1. What is grounding?
This question may look a little simple, but there are still clear differences between different kinds of grounding. Electrical ground is a conductive path that acts as a common return path for current from different devices. It is usually called the 0 V node. All other voltages in the system are measured relative to this node.
Here are several common grounding nodes:

1) Floating ground
Floating ground happens when a system does not have a reliable ground connection. In this case, the voltage on the ground terminal and the conductors is not fixed. An unintentional floating ground is usually seen as a system fault, which means there may be an open path in the grounding system. But in some applications, floating ground is used on purpose.
In low-voltage power supplies and test instruments, an isolation transformer is used to separate the low-voltage ground from the main grounding system to improve safety. By letting the low-voltage side float, it avoids a ground current path from the main power source. If a fault happens on the low-voltage side, this can give electrical safety protection.
Floating ground
2) Earth ground
This is the physical connection to the earth. It acts as a safe return point for excess current.
3) Chassis ground (safety ground)
Chassis ground, or safety ground, is the connection of the safety wire from the AC power source to the product enclosure or chassis. Ground and chassis ground have the same function, and the term safety ground is often used in the same way.
For PCB grounding, there is no single method that works for every case. To decide the best way to ground a system, you need to understand how current flows in it. Still, there are many methods to choose from, and there are also some best practices that work for most systems.
4) Signal ground
Signal ground is the reference for any analog or digital signal used in a circuit. Most of the time, signal ground is the same as power ground. But in some cases, signals in a circuit use a different isolated ground to return signal current. This leads to a separate ground being defined for the signal. Signal ground can be found in sensitive equipment and measuring instruments.

Typical grounding symbols used in schematics
When a board is divided into analog and digital parts, the separated grounds are usually connected under or near a mixed-signal device that has both analog and digital trace connections. When the analog ground and digital ground planes are connected under the mixed-signal device, the mixed-signal trace can run with the shortest length. This also reduces the chance of disturbing other analog or digital signals around the device.
Separate grounding for analog ground and signal ground

5) Virtual ground
Virtual ground is common in op-amp circuits. A virtual ground node is not directly connected to the ground current return path. Instead, it is kept at the same potential as the ground reference. Virtual ground is used to analyze the function of an op-amp.
Virtual ground
By considering the virtual ground potential, and by assuming that the op-amp does not draw current, the following relation can be obtained.
Virtual ground formula

6) AC ground
An AC ground node has a low-impedance DC value. Even if it is affected by a small disturbance, this DC voltage stays stable. Because of its DC value, this node cannot be used as a proper ground. But because it is stable, it can be used as a reference point.
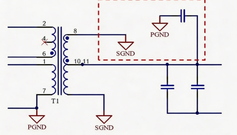
AC ground is a standard way to bring power into a board that needs mains power and works with medium to high current. In the figure below, we bring 3-wire single-phase AC into the system and use a transformer to step it down to the level needed by the circuit board.
The separation between primary ground (PGND) and secondary ground (SGND) in the PCB stack-up means that we now have an isolated power supply on the board, along with other important parts that may be high-speed digital parts or precision analog parts.
Isolated grounding on the input power stage

7) Chassis grounding
One important point in electronic products is that not all systems have chassis ground, or safety ground. Usually, chassis ground means the metal chassis inside the enclosure, and it is connected to the case.
In a 3-wire AC system (live, neutral, and ground) or a 3-wire DC system (DC+, DC common, and ground), chassis ground is usually connected to earth at the point where power enters the supply. A part that is plugged into the system can also be connected to chassis ground to absorb noise or for safety reasons, such as ESD protection, as shown in the example below. This arrangement provides common-mode noise filtering for AC or DC input on the 3-wire connection.
In the schematic below, chassis ground is directly connected to the circuit board, and it has a low-inductance ground contact with the enclosure. Note that pin 3 on the connector is the ground wire.

Chassis ground
The chassis ground connection provides three functions:
Because the chassis is now set as a global 0 V reference, it acts as a Faraday cage and provides broadband shielding.
It provides a safety function that can send parasitic current, such as ESD, short-circuit current, or noise, back to earth.
It can give a low-impedance sink for common-mode noise on the EMI filter at this input, without needing ferrite beads or large chokes on the board.
8) Multi-grounding
Multi-grounding often appears when wiring between two devices, and the cable may have some shield layers connected to the ground at each end.
Care must be taken here, because there may be a DC potential difference between the two ground connections. In lab measurements, this may be about 10 V. If the ground is bridged, for example by using the shield along a shielded cable, the ground offset may cause a large DC current to flow through the cable.
Multi-grounding

2. Not all grounds are 0 V
A floating conductor, or a conductor in a system that refers to a different power source, may not have the same 0 V potential. In other words, two different devices may both have a ground node, but if they connect to the same reference and you measure the potential between them, the result may be a voltage that is not 0.
In power systems, it is important to pay attention to how capacitors are used for grounding so that the ground reference stays the same. Y-class capacitors are the best choice. You need to remove DC offset between planes, while also providing current isolation and high-frequency EMI filtering.
PCB grounding circuit
When two devices use the same conductor as the ground connection, the following situation may happen. If you measure the potential difference along a long conductor, for example with a multimeter, it may not be 0. This means that some current is flowing along the conductor. This kind of potential difference along the earth or between two ground connections is called ground offset.

3. PCB grounding design basics
When designing PCB grounding, the first goal is to control current return paths. Ground is not just a symbol on the schematic. On a real board, current always takes a path, and the return path is just as important as the forward path.
If the return path is too long, too narrow, or too broken, noise will grow. This can hurt signal integrity, power integrity, and EMC performance. That is why the ground system must be planned together with the signal routing, power routing, and layer stack-up.
For mixed-signal boards, analog circuits and digital circuits should be arranged with care. A sensitive analog area should not share noisy return currents from fast digital switching. Power circuits should also have their own clear return path. The goal is not to split ground in every case. The goal is to keep unwanted current away from sensitive areas.
A good ground plane can reduce impedance, lower noise, and give a stable reference for signals. In many PCB designs, a full ground plane is better than thin ground traces, because a plane gives a wider return path and lower inductance. This is very important for high-speed signals, RF circuits, and fast switching power supplies.
4. PCB grounding tips
First, keep the return path short and direct. Current should be able to return under the signal path as much as possible. This helps reduce loop area, and a smaller loop area means less noise and less EMI.
Second, avoid cutting the ground plane too much. If the ground plane is broken by many slots, narrow necks, or bad routing, the return current will be forced to go around obstacles. This makes the loop larger and increases interference.
Third, use one clear grounding strategy for the whole board. Do not mix many different grounding ideas without a reason. For example, if analog ground and digital ground are separated, the connection point should be planned carefully. The connection should be made where it helps current flow and noise control, not where it creates a new problem.
Fourth, pay attention to high-speed signals. Fast signals need a nearby reference plane. If the reference plane changes across layers or is interrupted, the return current may jump to another path and create noise. This can also cause crosstalk and signal distortion.
Fifth, keep noisy parts away from sensitive parts. Switching regulators, clocks, and digital buses should be kept away from low-level analog circuits, measurement circuits, and reference circuits. This is not only a placement issue. It is also a grounding issue.
Sixth, use vias in a smart way. When a signal changes layers, the return current also needs a path. Sometimes a ground via near the signal via can help the return current move smoothly. This is common in high-speed layout.
Seventh, handle ESD and EMI early. Do not wait until the end of the design. Grounding, shielding, chassis connection, and filter placement should be considered from the start. If they are added too late, the board may already have a bad return path.
5. PCB ground handling
PCB ground handling is not only about choosing a ground name in the schematic. It is about how the whole board uses that ground in real operation.
For low-noise analog boards, a solid ground plane is often the best choice. For mixed-signal boards, careful separation and a planned connection point may be needed. For power boards, the high-current ground path must be kept short and thick. For RF boards, low inductance is very important, so the ground structure must be very clean.
When there is a chassis, it can help with noise control and safety. When there is earth ground, it can help with fault current and protection. When there is a floating section, isolation parts like transformers, optocouplers, or isolated DC-DC modules may be needed.
In the end, the best grounding method depends on the system. There is no single answer for all boards. The key is to understand the current path, the noise source, the sensitive area, and the return current behavior. If these points are clear, the ground design will be much more stable and reliable.
Table of Contents
Related Posts
PCBA Prototype
April 14, 2026




